Генерирование электрических колебаний
Генери'рование электри'ческих колеба'ний, процесс преобразования различных видов электрической энергии в энергию электрических (электромагнитных) колебаний. Термин «Г. э. к.» применяется обычно к колебаниям в диапазоне радиочастот, возбуждаемым в устройствах (системах) с сосредоточенными параметрами (ёмкостью С, индуктивностью L, сопротивлением R), где электрические и магнитные поля пространственно разделены. При переходе к более высоким частотам (СВЧ и оптический диапазон) для возбуждения колебаний необходимы системы с распределёнными параметрами. В этом случае говорят об электромагнитных колебаниях. Термин «Г. э. к.», как правило, не применяется, когда речь идет о получении переменных токов промышленных частот, получаемых с помощью электрических машин (см. Генератор электромашинный, Переменного тока генератор).
Г. э. к. осуществляется обычно либо путём преобразования энергии источников постоянного напряжения при помощи электронных приборов (вакуумных, газоразрядных и твердотельных), либо путём преобразования первичных электрических колебаний в колебания требуемой частоты и формы (параметрический генератор, квантовый генератор).
В зависимости от типа электронных приборов различают: ламповые генераторы (с электронными лампами), полупроводниковые генераторы (с полупроводниковыми триодами, туннельными диодами и др.), генераторы с газоразрядными приборами (тиратронами и др.). По форме колебаний, частоте, мощности и назначению различают: генераторы синусоидальных (гармонических) колебаний, генераторы колебаний специальной формы, генераторы сверхвысоких частот и т. д.
Необходимые элементы генератора: источник энергии, цепи, в которых возбуждаются и поддерживаются колебания (пассивные цепи) и активный элемент, преобразующий энергию источника питания в энергию генерируемых колебаний. Активным элементом обычно являются электронные приборы, часто в сочетании с управляющими ими дополнительными цепями (цепями обратной связи).
Если энергия, подводимая в пассивные цепи, превосходит потери энергии в этих цепях, то любой возникший в них колебательный процесс будет нарастать. Если поступление меньше потерь, колебания затухают. Энергетическое равновесие, соответствующее стационарному режиму Г. э. к., осуществимо лишь при наличии нелинейных свойств у элементов системы. При их отсутствии в системе возможен либо нарастающий, либо затухающий колебательный процесс, а генерация стационарных электрических колебаний невозможна (см. ниже).
Если цепи, в которых возбуждаются и поддерживаются колебательные процессы, сами по себе обладают колебательными свойствами (например, колебательный контур или объёмный резонатор), то частота и форма генерируемых колебаний в основном определяются частотой и формой их собственных колебаний. Роль активного элемента в этом случае сводится лишь к подкачке энергии в цепи для компенсации потерь в них (включая отбор энергии потребителем).
Генераторы почти гармонических колебаний. Если в генераторе с колебательными цепями потери в контуре или резонаторе малы (высокая добротность колебательной системы), то форма колебаний в них близка к синусоидальной и их называют генераторами почти гармонических колебаний или томсоновскими генераторами.
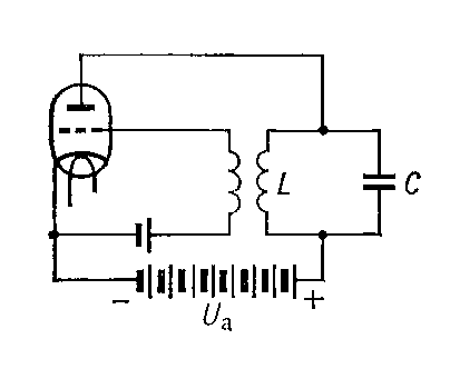
Ламповый генератор. Простейший ламповый генератор почти гармонических колебаний состоит из колебательного контура и электронной лампы (например, триода) с питанием и управляющей цепью (рис. 1). В контуре под влиянием случайных электрических колебаний возникают собственные колебания тока и напряжения. Однако из-за потерь энергии в контуре колебания должны затухать. Чтобы колебания не затухали, необходимо пополнять запас колебательной энергии в контуре, например воздействуя на него пульсирующим током с той же частотой и с определённой фазой. Это осуществляется с помощью триода. Переменное напряжение, подводимое от контура к сетке триода, вызывает изменение его анодного тока. В результате в анодном токе появляются пульсации, которые при правильном подборе фазы напряжения, подаваемого на сетку лампы (цепь обратной связи), будут пополнять колебательную энергию контура.
Если усилительные свойства лампы таковы, что пополнения колебательной энергии превосходят потери колебательной энергии за то же время в самом контуре, то амплитуда начальных колебаний, возникших в контуре, будет нарастать. По мере роста амплитуды колебаний усиление лампы уменьшается за счёт нелинейности вольтамперной характеристики триода и в системе установится стационарная амплитуда генерируемых колебаний. Подобные системы, генерирующие стационарные колебания, частота и форма которых определяются свойствами самой системы, называют автоколебательными системами или автогенераторами, а генерируемые ими колебания — автоколебаниями.
Мощность, подводимая от источника питания, расходуется не только на поддержание колебаний в контуре, но и на разогрев анода лампы электронами, бомбардирующими его при протекании анодного тока. Это обстоятельство ограничивает кпд ламповых генераторов, который может всё же достигать 70—75%.
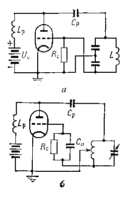
Управление электронной лампой с помощью цепи обратной связи может осуществляться различными способами. Наряду с индуктивной обратной связью (рис. 1) возможна также ёмкостная обратная связь (рис. 2, а) или автотрансформаторная обратная связь (рис. 2, б).
В схемах ламповых генераторов часто применяются т. н. параллельное питание анодной цепи (рис. 2, а, б) и автоматическое смещение сетки, создаваемое сеточным током ic. Ток ic создаёт постоянное напряжение на управляющей сетке лампы, смещающее рабочую точку анодно-сеточной характеристики в область отрицательных значений, что необходимо для получения высокого кпд (рис. 3).
Мощность ламповых генераторов — от долей вт (в измерительных и калибровочных устройствах) до десятков и сотен квт; область генерируемых частот — от десятков кгц до Ггц. Верхняя частотная граница связана, во-первых, с наличием у ламп «паразитных» ёмкостей (сетка — анод и др.), с конечным временем пролёта электронов от катода к аноду, а также с некоторыми др. факторами (см. Электронная лампа). Нижняя частотная граница обусловлена малой добротностью колебательных контуров с низкими собственными частотами.
Транзисторный генератор. Другим примером генератора почти гармонических колебаний является генератор на полупроводниковом триоде (транзисторный генератор). Здесь, так же как и в ламповом генераторе, имеется источник питания, добротный колебательный контур, а активный элемент представляет собой сочетание полупроводникового триода и цепь обратной связи. В полупроводниковых триодах (транзисторах) имеет место усиление мощности колебаний, подводимых к управляющему электроду (например, к базе), и это позволяет, так же как и в случае электронных ламп, с помощью цепи обратной связи осуществить подкачку колебательной энергии в контур для его возбуждения и поддержания режима стационарных (незатухающих) колебаний. Существуют различные схемы транзисторных генераторов. Три варианта полупроводниковых генераторов, использующих включение транзистора по схеме с общим эмиттером, показаны на рис. 4, а, б, в.
Транзисторные генераторы генерируют колебания с частотой от нескольких кгц до 1010 Ггц с мощностями от десятых долей мвт до сотен вт. Как и в ламповом генераторе, здесь при высокой добротности контура форма колебаний близка к гармонической, а частота определяется собственной частотой колебаний контура с учётом «паразитных» ёмкостей транзистора.
Отрицательное дифференциальное сопротивление. Возникновение в контуре незатухающих колебаний можно рассматривать как результат внесения в него некоторого «отрицательного» сопротивления, компенсирующего положительное активное сопротивление. В ламповом генераторе это отрицательное сопротивление создаётся лампой в сочетании с цепью обратной связи и источником питания. В отрицательного сопротивлении увеличение тока должно соответствовать уменьшению падения напряжения:

(в обычных сопротивлениях

Эффект появления отрицательного дифференциального сопротивления возникает лишь при использовании усилительных свойств лампы или транзистора за счёт положительной обратной связи.
Однако существуют приборы, в которых вольтамперная характеристика при определённых условиях имеет падающий участок. Это соответствует тому, что в некоторой области значений U и I имеет место отрицательное дифференциальное сопротивление

(рис. 5), позволяющее использовать подобные приборы для Г. э. к. Например, в пентодах зависимость тока экранирующей сетки iэ от напряжения на антидинатронной сетке Uэ имеет падающий участок (рис. 6, а). Возникновение отрицательного сопротивления позволяет создать генератор, называют транзитронным (рис. 6, б). В транзитронном генераторе колебания в контуре LC поддерживаются также за счёт отрицательного сопротивления, вносимого в контур действием тока экранирующей сетки лампы, управляемого напряжением на третьей антидинатронной сетке.
Для создания отрицательного сопротивления можно использовать электрический разряд в газах, вольтамперная характеристика которого имеет падающий участок. Например, в определённых режимах дугового разряда с увеличением тока I возрастает температура дуги, увеличивается количество ионов в разрядном промежутке и за счёт этого сопротивление промежутка падает, что приводит к уменьшению падения напряжения между электродами U. Это свойство дугового разряда использовалось в дуговых генераторах высокой частоты, применявшихся до появления ламповых генераторов (рис. 7, а, б).
Подобным же образом может быть использована падающая характеристика туннельного диода ТД (рис. 8, а). Если рабочая точка на характеристике диода находится на падающем участке его характеристики, то это соответствует введению в колебат. контур отрицательного сопротивления.
Если колебательный контур обладает высокой добротностью, то генерируемые колебания по форме близки к гармоническим и их частота определяется собственной частотой контура с учётом дополнительной ёмкости диода (подключенного параллельно основной ёмкости С, рис. 8).
Амплитуда установившихся колебаний будет определяться условием, чтобы средний наклон рабочего участка характеристики (с учётом захода колебаний за пределы наиболее крутого участка падающей характеристики) обеспечивал бы полную компенсацию потерь на активном сопротивлении контура, включая и полную нагрузку генератора Rполн. При этом Roтрицат. = Rполн.
Генераторы с ТД могут генерировать колебания вплоть до частот 100 Ггц, но с весьма малой мощностью — порядка долей мквт. На дециметровых и сантиметровых волнах мощность таких генераторов может достигать нескольких мвт. Они, будучи чрезвычайно компактными и экономичными, наиболее успешно применяются в качестве гетеродинов в радиоприёмниках СВЧ диапазона. Полупроводниковые генераторы (как и ламповые) не могут генерировать очень высокие частоты (в области сантиметровых и более коротких волн). В этой области частот используются, как правило, устройства с объёмными резонаторами (вместо контуров).
Большинство приведённых ранее понятий (активный элемент, пассивные цепи, отрицательное сопротивление и др.) в полной мере применимо лишь к устройствам, состоящим из сосредоточенных элементов (лампа, сопротивление, конденсатор, катушка индуктивности и т. д.), размеры которых много меньше длины волны l. Продвижение в область СВЧ привело к созданию генераторов, представляющих собой системы с распределёнными параметрами. В этих устройствах для Г. э. к. используются различные явления, возникающие в электронных потоках в вакууме, в плазме или при прохождении тока через некоторые твёрдые тела, например полупроводники. В этих случаях не всегда применимо само понятие электрической цепи и невозможно выделять раздельно пассивные цепи и активный элемент.
Магнетронный генератор. В магнетронном генераторе колебания СВЧ возбуждаются в системе объёмных резонаторов (полости с проводящими стенками). Резонаторы расположены по окружностям массивного анода и их собственная частота (определяется диаметром полости и шириной щели, соединяющей каждую полость с общим пространством, в центре которого расположен катод (рис. 9). Магнитное поле, искривляя траектории электронов, движущихся от катода К к аноду А, формирует общий электронный поток, пролетающий последовательно вдоль щелей резонаторов. Магнитное поле подбирается таким, чтобы большинство электронов двигалось по траекториям, почти касающимся щелей. Т. к. в резонаторах за счёт случайных токов неизбежно возникают слабые электрические колебания, то около щелей существуют слабые переменные электрические поля Е. Пролетая в этих полях, электроны в зависимости от их направления относительно поля Е либо ускоряются, отбирая энергию у резонатора, либо тормозятся, отдавая часть энергии резонаторам. Электроны, ускоренные полем первого же резонатора, возвращаются на катод. Заторможенные (рабочие) электроны попадают в поле следующих резонаторов, где они также будут тормозиться, если попадают туда в «тормозящие» полупериоды электромагнитного поля. Путём соответствующего подбора скорости электронов (анодного напряжения Ua и магнитного поля Н) можно добиться того, чтобы электроны больше отдавали энергии резонаторам, чем забирали у них. Тогда колебания в резонаторах будут нарастать. Нелинейность характеристик магнетрона обеспечивает установление постоянной амплитуды генерируемых колебаний. Отбор энергии может производиться из любого резонатора с помощью петли связи П.
В магнетроне источником питания является источник анодного напряжения Ua, колебательной системой — резонаторы. Роль активного элемента, обеспечивающего преобразование постоянной энергии в энергию электрических колебаний, играет электронный поток, находящийся под действием магнитного поля.
Магнетроны генерируют гармонические колебания в диапазоне частот от 300 Мгц до 300 Ггц. Кпд магнетронных генераторов достигает 85%. Обычно магнетроны используются для получения колебаний больших мощностей (несколько Мвт) в импульсном режиме и десятков квт при непрерывной генерации (подробнее см. Магнетрон).
Клистронный генератор. Клистронный генератор также содержит объёмный резонатор, в котором колебания возбуждаются и поддерживаются электронным потоком. Поток электронов, испускаемый катодом К (рис. 10, а), ускоряется электрическим полем, создаваемым источником питания. В отражательном клистроне электроны пролетают через сетки объёмного резонатора С и, не достигая анода А, потенциал которого отрицателен относительно сеток резонатора, отражаются, пролетают через резонатор в обратном направлении и т. д. Если бы электроны пролетали через резонатор сплошным потоком, то в течение одного полупериода колебаний резонатора они отдавали бы резонаторам энергию, а в течение второго полупериода отнимали бы это же количество энергии у резонатора, и Г. э. к. было бы невозможно. Если же электроны влетают в резонатор отдельными «сгустками», причём в такие моменты, когда резонатор их тормозит, то они отдают резонатору энергии больше, чем забирают у него. При этом электронный поток усиливает возникшие в резонаторе случайные колебания и поддерживает их с постоянной амплитудой. Т. к. группирование электронного потока в сгустки происходит за время, соответствующее нескольким периодам колебаний, то протяжённость «пространства группировки» задаётся скоростью электронов и частотой генерируемых колебаний. Благодаря этому наибольшее распространение клистронные генераторы имеют в сантиметровом и миллиметровом диапазонах длин волн. Мощность клистронов невелика — от нескольких мвт в миллиметровом диапазоне до нескольких вт в сантиметровом. Мощность двухрезонаторных пролётных клистронных генераторов (рис. 10, б) в сантиметровом диапазоне может составлять десятки вт (подробнее см. Клистрон).
Квантовые пучковые генераторы. В квантовых генераторах роль высокодобротной колебат. системы выполняют возбуждённые атомы или молекулы активного вещества. Переходя из возбуждённого состояния в невозбуждённое, они излучают порции (кванты) электромагнитной энергии, равные hv, где h — Планка постоянная, v — частота электромагнитных колебаний, характерная для данного сорта атомов. Источником энергии являются возбуждённые атомы и молекулы, а для отбора возбуждённых молекул служит сортирующая система. Например, в молекулярном генераторе на аммиаке источником питания является источник молекулярного пучка аммиака. Объёмный резонатор, в котором находится активное вещество, осуществляет обратную связь, вызывая с помощью электромагнитного поля вынужденное излучение молекул и вложение колебательной энергии, компенсирующее потери, включая отбор энергии во вне. Аммиачный генератор работает на частоте 23,870 Ггц с весьма стабильной и узкой спектральной линией генерируемых колебаний за счёт высокой добротности квантового перехода. Высокая стабильность частоты колебаний, генерируемых квантовыми генераторами в радиодиапазоне (на аммиаке, водороде, синильной кислоте и др.), позволяет использовать их как квантовые стандарты частоты.
Релаксационные генераторы. Существует широкий класс генераторов, у которых пассивные цепи, где возбуждаются и поддерживаются колебания, не обладают колебательными свойствами (контуры с большими потерями и др. апериодические цепи, например комбинации ёмкостей С и сопротивлений R или индуктивностей L и сопротивлений R). В подобных генераторах за каждый период колебаний теряется и вновь пополняется значительная часть всей колебательной энергии. Период генерируемых колебаний при этом определяется временем релаксации (процесса установления равновесия) в этих цепях. Такие генераторы называют релаксационными. В этом случае форма колебаний определяется совместно свойствами колебательных цепей и активного элемента и может быть весьма разнообразной — от скачкообразных, почти разрывных колебаний (например, мультивибраторы) до колебаний, сколь угодно близких к гармоническим (RC-генераторы синусоидальных колебаний). Эта особенность релаксационных генераторов широко используется для получения электрических колебаний специальной формы, например прямоугольных импульсов, пилообразного напряжения (рис. 11) и тока, а также для генерации гармонических колебаний звуковой и сверхнизкой частот.
Тиратронный генератор пилообразного напряжения — простейший релаксационный генератор (рис. 12, а). У тиратрона напряжение зажигания выше напряжения гашения. Его напряжение U изменяется практически линейно со временем до некоторого максимального значения, а затем достаточно быстро падает до начальной величины (рис. 11). Т. к. вольтамперная характеристика тиратрона обладает падающим участком характеристики (рис. 12, б), то процесс зарядки ёмкости С до напряжения зажигания тиратрона происходит медленно, после чего накопленный на ёмкости заряд быстро разряжается через тиратрон; напряжение на нём падает до значения, при котором тиратрон гаснет. При этом внутреннее сопротивление тиратрона становится большим, в результате чего зарядка ёмкости С повторяется, и т. д. Период колебаний определяется временем зарядки и разрядки ёмкости, т. е. временем релаксации цепи RC.
Высокую степень линейности изменения напряжения на ёмкости можно получить, применяя вместо сопротивления R в тиратронном генераторе устройство (например, пентод), поддерживающее постоянный ток в процессе зарядки конденсатора, или применяя отрицательную обратную связь. Частотой колебаний тиратронного генератора можно (в известных пределах) управлять, подавая синхронизирующее напряжение на сетку тиратрона.
В тиратронном генераторе за период колебаний происходит полный энергообмен. Вся энергия, запасённая в конденсаторе за время зарядки, расходуется за время его разрядки через тиратрон. В этой системе нет цепей, в которых возможны колебательные процессы в отсутствие источников питания.
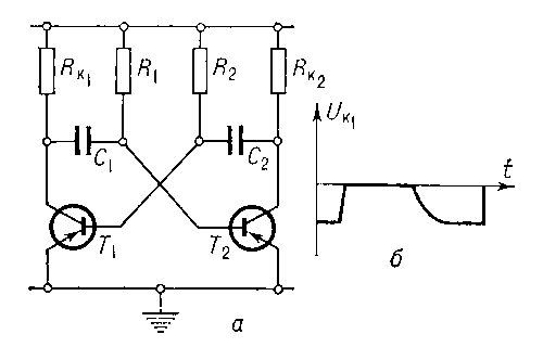
Мультивибратор на электронных лампах или транзисторах представляет собой двухтактное устройство, в котором Г. э. к. осуществляется путём попеременной зарядки и разрядки двух ёмкостей C1 и C2 цепей RC с помощью двух взаимосвязанных транзисторов T1 и T2. В симметричном мультивибраторе (рис. 13, а) транзисторы T1 и T2 «отпираются» и «запираются» попеременно и так же попеременно происходят зарядка и разрядка ёмкостей C1 и C2. При этом резкие скачки напряжений и токов в отдельных элементах схемы соответствуют быстрой смене разряда на заряд, отпиранию и запиранию транзисторов (рис. 13, б). Однако эти быстрые процессы протекают так, что запас энергии в ёмкости изменяется непрерывно.
Различные варианты мультивибраторов применяются для получения периодических напряжений различной формы, необходимых для работы электронных устройств. Период колебаний определяется временами релаксации цепей, содержащих транзисторы. Колебания возможны лишь за счёт поддержания в системе непрерывно сменяющихся процессов зарядки и разрядки в цепях RC, не обладающих собственными колебательными свойствами.
RC-генератор синусоидальных колебаний также не содержит колебательных цепей. Однако за счёт выбора цепи управления активным элементом (электронной лампой, транзистором) условия Г. э. к. выполняются лишь для одного гармонического колебания с частотой, определяемой временем релаксации цепочек RC (рис. 14). Например, в RC-генераторе с электронной лампой термистор поддерживает усиление лампы на уровне, лишь немного превышающем критический уровень, соответствующий условию самовозбуждения. С ростом тока растет температура термистора и увеличивается его сопротивление, что, в свою очередь, ведёт к снижению крутизны характеристики лампы за счёт возникновения отрицательной обратной связи. Т. к. работа при этом происходит практически на линейной части характеристики лампы, то условия Г. э. к. будут выполняться лишь для одной частоты.
В подобном устройстве происходит полный энергообмен за каждый период колебания. При отключении источника питания колебания исчезают, и в системе могут иметь место лишь апериодические релаксационные процессы. С помощью RC-генератора получают гармонические колебания в диапазоне частот от долей гц до десятков и сотен кгц. RC-генераторы широко применяются как источники эталонных колебаний.
Генератор Ганна представляет собой небольшой (~100 мкм) монокристалл полупроводника, через который пропускается постоянный ток. При плотностях тока, создающих в полупроводнике напряжённость поля не менее 300 кв/м (3 кв/см), в объёме полупроводника возникают нестационарные процессы, приводящие к появлению сверхвысокочастотной переменной составляющей тока, текущего через полупроводник, и к возникновению на электродах переменного напряжения СВЧ (см. Ганна эффект).
В генераторе Ганна энергия источника постоянного тока преобразуется в колебательную энергию в кристалле, который одновременно играет роль и колебательной системы, и активного элемента. Отсутствием высокодобротного резонатора можно объяснить немонохроматичность колебаний. Спектральная линия, соответствующая основной частоте, широка; кроме того, одновременно возбуждается большое число побочных частот. С помощью генераторов Ганна, которые могут применяться как маломощные гетеродины, удаётся осуществлять Г. э. к. частотой от 100 Мгц до 10 Ггц и мощностью до 10 Мвт (при непрерывном генерировании) и сотен вт (при импульсной работе). Генераторы Ганна компактны и перспективны в микроэлектронике. Основное ограничение генерируемой мощности — нагревание кристалла при прохождении через него значительных постоянных токов.
Преобразователи частоты. К ним можно отнести некоторые типы квантовых генераторов радиодиапазона (мазеров) и оптического диапазона (лазеров), в которых создание возбуждённых состояний происходит за счёт поглощения электромагнитного излучения (накачки) с частотой, существенно превышающей частоту генерируемых колебаний. Эти генераторы можно рассматривать как вторичные, преобразующие энергию колебаний накачки в колебания определённой частоты, определяемой режимом и свойствами активного вещества. Так, в радиочастотном парамагнитном мазере накачка на частоте в 10 Ггц позволяет генерировать колебания с частотой до 5 Ггц со стабильностью частоты, определяемой лишь стабильностью температуры и магнитного поля (см. Квантовый усилитель).
В твердотельных лазерах на рубине или неодимовом стекле поглощение широкого спектра колебаний в области зелёной и синей части спектра приводит к генерации узкой спектральной линии с длиной волны l= 6943
(для рубинового лазера) и l= 10582
(для лазера с неодимовым стеклом).
Преобразователями частоты являются также параметрические генераторы. Параметрические генераторы радиодиапазона представляют собой резонансную колебательную систему — контур или объёмный резонатор, в котором один из энергоёмких (реактивных) параметров L или С зависит от приложенного напряжения или протекающего тока. При периодическом изменении одной из величин С или L с помощью внешних колебаний (накачки) частоты lн в контуре могут возбуждаться и поддерживаться колебания частоты l = 1/2lн. Наиболее широко распространены маломощные параметрические генераторы с переменной ёмкостью, созданной запертым полупроводниковым диодом специальной конструкции (параметрическим диодом). Применение многоконтурных схем позволяет генерировать колебания с частотой, не связанной жёстким соотношением с частотой накачки, и тем самым осуществлять преобразование энергии исходных колебаний одной частоты в энергию колебаний требуемой частоты (см. Параметрическое возбуждение и усиление электрических колебаний).
Аналогичный принцип используется для возбуждения колебаний оптического диапазона. Однако в этом случае параметрические явления носят волновой характер и осуществляются не в колебательном контуре, а в анизотропном кристалле (см. Параметрические генераторы света).
Лит.: Бонч-Бруевич М. А., Основы радиотехники, М., 1936; Харкевич А. А., Автоколебания, М., 1954; Теодорчик К. Ф., Автоколебательные системы, М., 1952: Горелик Г. С., Колебания и волны, 2 изд., М., 1959.
В. В. Мигулин.
Рис. 2. Генераторы с ёмкостной (а) и автотрансформаторной (б) обратной связью.
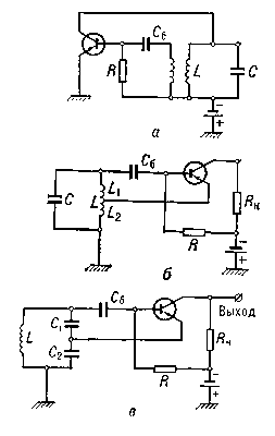
Рис. 4. Транзисторные генераторы на плоскостных триодах с индуктивной (а), автотрансформаторной (б) и ёмкостной (в) обратной связью.
Рис. 6. а — зависимость тока экранной сетки пентода от напряжения на его антидинатронной сетке; б — схема транзитронного генератора.
Рис. 14. RC-генератор синусоидальных колебаний; Т — термистор; r — сопротивление нагрузки.
Рис. 10. Клистронные генераторы: а — отражательный клистрон; б — двухрезонаторный пролётный клистрон; С — сетки резонатора; А — анод; К — катод.
Рис. 12. а — тиратронный генератор; б — вольтамперная характеристика тиратрона.
Рис. 5. Вольтамперная характеристика с падающим участком.
Рис. 3. Схема лампового генератора с автоматическим смещением сетки.
Рис. 8. а — генератор с туннельным диодом (ТД); б — вольтамперная характеристика туннельного диода.
Рис. 11. Пилообразное напряжение.
Рис. 9. Магнетронный генератор: А — анод; К — катод; П — петля связи.
Рис. 13. Мультивибратор на транзисторах Т1 и Т2: а — схема, б — форма колебаний.
Рис. 7. а — вольтамперная характеристика электрической дуги; б — дуговой генератор.
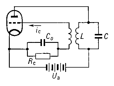
Рис. 1. Простейший ламповый генератор почти гармонических колебаний: LC — колебательный контур (С — ёмкость, L — индуктивность); Ua — анодное напряжение.
Более 800 000 книг и аудиокниг! 📚
Получи 2 месяца Литрес Подписки в подарок и наслаждайся неограниченным чтением
ПОЛУЧИТЬ ПОДАРОК