§ 26. Электрические часы

В промышленности нашли широкое применение электрические часы. Они не сходны с рассмотренными механическими часами и имеют свои специфические особенности. Электрические часы подразделяются на первичные и вторичные. Вторичные часы в зависимости от назначения подразделяются на показывающие, сигнальные, табельные, штемпели времени и др. Сложность механизма вторичных часов зависит от их назначения; некоторые из них имеют довольно сложные конструкции. Рассматривать особенности ремонта всех типов электрических часов не представляется возможным. Ниже будут рассмотрены только основные из них.

Первичные часы выпускаются промышленностью двух конструктивных разновидностей: с электрическим приводом маятника и с электроподзаводом. Последние более высокого класса точности, но их выпускают а меньших количествах.

Первичные часы с электрическим приводом маятника практически механизма не имеют.

Маятник этих часов является и регулятором хода, и двигателем, включающим контактную систему посылки импульсов тока в сеть вторичных часов.

Общий вид первичных часов показан на фиг. 227.

Фиг. 227. Электрические первичные часы ЭПЧ-2.

Эти электропервичные часы состоят из следующих основных узлов: маятника со схемой привода прямого действия, передачи с включающим диском, контактного устройства с подгонным ключом вторичного контрольного механизма.

Маятник и электрическая схема привода показаны на фиг. 228.

Фиг. 228. Узел маятника и схема построения электрического привода прямого действия.

Маятник 4 подвешен на пружину 2 к кронштейну 1. На стержне маятника находится подвижной рычаг 3, на котором укреплена гребенка 7. На корпусе часов против рычага 3 закреплена контактная группа 9, периодически включающая цепь тока к обмотке электромагнита привода 6. На контактной группе 9 закреплена собачка 8.

Взаимодействием гребенки 7 и собачки 8 в процессе колебания маятника создается замыкание контактов посылки тока к обмотке электромагнита. Контакты от экстратока защищают сопротивлением 300 ом (катушка 10).

В системе привода маятника наиболее часто встречаются следующие повреждения: неисправность пружины подвески, перегорание обмоток электромагнита привода и катушки сопротивления.

При повреждении обмоток необходимо производить их перемотку.

Повреждение контактов маятника и контактов включения тока в сеть вторичных часов требует или полной их замены, или замены отдельных неисправных пружин. Иногда наблюдается нарушение изоляции в контактных пластинах.

Движение от маятника к диску включения контактов производится двумя различными по устройству передачами.

Одна из конструкций передачи показана на фиг. 229.

Фиг. 229. Механизм электропервичных часов.

На стержне маятника закреплена каретка 6, штифт которой входит в вырез вилки 7. Вилка жестко закреплена на оси 2, на этой же оси закреплено коромысло 3, несущее две собачки 1 и 4. Своими свободными концами при каждом движении маятника собачки толкают храповое колесо 5, на одной оси с которым находится секундный диск 8.

Оси вилки и храпового колеса размещены между двумя платинами. Между передней платиной и храповым колесом находится звездочка, исключающая свободное перемещение храпового колеса под воздействием собачек. Эта звездочка, создавая давление на храповое колесо, приводит к износу отверстия в задней платине механизма. Другие механические повреждения наблюдаются редко.

Настройка и регулировка часов требуют знания их устройств и определенного навыка.

Рассмотрим некоторые особенности устройства этих часов.

При колебательных движениях маятника гребенка 1 вступает в соприкосновение с собачкой 2 контактной группы маятника.

Гребенка и собачка в различных положениях показаны на фиг. 230.

Фиг. 230. Последовательные фазы работы собачки с гребенкой.

В положении I, VI маятник движется справа налево. Гребенка 1 находится значительно правее собачки и приближается к ней.

Положение II показывает действие гребенки 1 на собачку 2. Гребенка отклоняет собачку и проходит в положение III, маятник продолжает свое движение влево до крайнего положения. При обратном движении маятника наступают положения IV и V, при которых собачка свободно переходит через гребенку. Таких повторений свободного колебания маятника в зависимости от регулировки и напряжения источника тока может быть от 8 до 15[1].

С каждым колебанием маятника амплитуда его уменьшается. Когда амплитуда колебания уменьшается настолько, что при крайнем отклонении маятника влево собачка задержится в одном из вырезов гребенки (положение VII), маятник начнет обратное движение вправо. Так как собачка оказалась заклиненной в вырезе гребенки, то она, выравниваясь, своим нижним концом упрется в гребенку, а верхней частью будет давить снизу вверх на нижнюю пружину контактной группы. Контакт нижней пружины соединится с контактом верхней пружины. В то же время средняя пружина какой-то отрезок времени также будет замкнута своим контактом с верхней пружиной.

Давление между верхней и средней пружинами должно быть порядка 3–4 г. Зазор между верхней и нижней пружинами 0.5 мм.

Дальнейшее давление собачки вверх приведет к подъему нижней и верхней пружин, а также к разрыву контактов между средней и верхней пружинами. Останутся замкнутыми только верхняя и нижняя пружины (положение VIII). С движением гребенки вправо собачка начнет опускаться (положение IX). Верхняя пружина замкнется со средней, после чего нижняя пружина разомкнет свой контакт с верхней (положение X).

Рассмотрев последовательные фазы работы контактной группы во взаимодействии с маятником, перейдем к рассмотрению действия электрического тока (фиг. 228).

В состоянии покоя контактной группы, когда собачка не производит замыкания контактных пружин, электрический ток в цепи отсутствует. Замыкание нижней пружины с верхней образует замкнутую цепь тока: плюс батареи, предохранитель, электромагнит маятника, верхняя, нижняя пружины и далее к минусу батареи. В этот момент параллельно электромагниту включена искрогасительная катушка по цепи: плюс, батареи, предохранитель, катушка омического сопротивления 300 ом, средняя, верхняя, а затем нижняя пружины и минус батареи.

Происходит кратковременное замыкание цепи, затем следует размыкание средней пружины с верхней. Замкнутыми остаются только контакты верхней и нижней пружин, сохраняется цепь тока через катушки электромагнита маятника. В этот момент маятник занимает положение с отклонением от вертикали влево на 10–15°.

Катушки электромагнита установлены строго на вертикальной оси. Прохождение тока по обмотке катушек создает в них магнитный поток. Силовые линии магнитного потока пересекают якорь маятника, закрепленный в нижней части стержня. Якорь притягивается к катушкам электромагнита. Прежде чем маятник успевает дойти до вертикального положения, собачка контакта выходит из гребенки, обрывая цепь тока электромагнита. Верхняя пружина замыкается со средней, подключая параллельно катушкам электромагнита искрогасящую катушку. Магнитный поток в катушке исчезает, а маятник, получив новый импульс силы, свободно движется вправо, достигая максимальной амплитуды. Якорь маятника изготовляют из железа.

После ряда колебаний маятника его амплитуда уменьшается до минимальной величины, и процесс включения контактной группы повторяется аналогично описанному выше.

Искрогасящая катушка имеет бифилярную обмотку.

Особо сильное искрение и обгорание контактов вызывают ток размыкания, который создается в катушках электромагнита маятника в момент разрыва цепи тока. Замыкание этого тока через искрогасящую катушку уменьшает действие последнего на контакты пружин.

Положение гребенки по отношению к контактной группе маятника может быть изменено. Передвигая плечо гребенки вверх и вниз по штанге маятника, можно достигнуть необходимой величины изгиба пружин контактной группы.

Если обойма плеча, несущего гребенку, расположена достаточно высоко, то замыкание контактов будет более продолжительным, маятник потеряет значительную часть энергии на изгиб пружин. Если же обойма находится слишком низко, то может случиться, что собачка не замкнет нижней пружины с верхней, и тогда электромагнит не получит импульса тока.

Следовательно, маятник в электрических часах является регулятором хода, а также двигателем механизма, передающего импульсы тока в сеть вторичных часов.

Для получения высокой точности хода часов маятник должен иметь строго установленное количество колебаний в единицу времени. Рассматриваемые электропервичные часы имеют 80 колебаний маятника в минуту. Основной силой, поддерживающей колебания маятника, является магнитный поток, создаваемый электромагнитом при затухании амплитуды маятника.

Магнитный поток зависит от напряжения источника тока. Отрегулированный на точность хода при напряжении источника тока 24 в маятник делает 80 колебаний в минуту. Повышение напряжения источника тока вызовет увеличение магнитного потока. Воздействие магнитного потока на притяжение якоря маятника также усилится и амплитуда его колебания увеличится. Периодичность включения, контактов посылки импульса в сеть часов будет реже, и часы начнут отставать.

Если напряжение источника тока уменьшить, магнитный поток будет более слабым, притяжение якоря маятника, а также амплитуда колебания маятника уменьшатся. Периодичность включения контактов посылки импульсов будет чаще, и часы начнут спешить. Однако изменение напряжения питающего ток на 10 % вызывает незначительное изменение суточного хода часов.

При регулировке величины амплитуды колебания маятника гребенку передвигают. Если гребенку передвигать на плече влево, удаляя от стержня маятника, то амплитуда колебаний будет уменьшаться, и наоборот.

Башмаки электромагнита маятника имеют крепление, допускающее изменение зазора между ними (фиг. 231).

Фиг. 231. Принцип регулировки амплитуды маятника путем увеличения магнитной утечки.

Ослабив винты 6 крепления башмаков 2 и поворачивая их вокруг оси винта, можем увеличивать или уменьшать расстояние между ними.

При приближении башмаков (пунктир на фиг. 231) увеличиваются пути утечки потока магнитных силовых линий. Магнитный поток, действующий на притяжение якоря маятника, уменьшится, а следовательно, уменьшится и амплитуда колебаний якоря.

Увеличивав зазор между башмаками, создаем более благоприятные условия использования магнитных силовых линий для притяжения якоря 5, укрепленного на стержне 1 маятника. При этом амплитуда колебания маятника увеличивается. Увеличивая зазор между якорем 5 и башмаками 2 катушек электромагнита маятника 3, ослабляем силу притяжения якоря. Нормальное расстояние между ниш должно быть 1,5 мм. Якорь закрепляется контргайкой 4.

Расстояние между башмаками катушек электромагнита и якорем регулируется опусканием или поднятием катушек. Для этого ослабляют винты, закрепляющие угольник установки катушек. После необходимой регулировки винты закрепляют.

Регулировку периода колебаний маятника производят также смещением центра тяжести груза вверх или вниз.

На фиг. 232 показана конструкция маятника.

Фиг. 232. Конструкция маятника электропервичных часов.

В нижней части стержень 1 маятника имеет винтовую нарезку. На стержень снизу надевают втулку 9 компенсационной трубки 8; последнюю закрепляют на стержне винтом. Верхнее коромысло 2 опирается на компенсационную трубку, а нижнее 4 свободно надевается на нее.

Между коромыслами с помощью винтов закрепляют цилиндрические грузы 3 маятника.

Компенсационная трубка вверху свободно находит на втулку, внизу опирается на регулировочную гайку маятника с делениями, которая закрепляется контргайкой 1. В нижней части стержня закреплен якорь 5 маятника с контргайкой 6.

Компенсационная трубка своим нижним концом опирается на выступ регулировочной гайки и имеет свободное перемещение вверх. Груз маятника лежит на верхнем срезе компенсационной трубки.

Влияние температуры окружающей среды может вызвать изменение периода колебаний маятника и нарушение хода часов. Это изменение происходит вследствие удлинения стержня маятника и перемещения его центра тяжести.

В целях уменьшения смещения центра тяжести при изменениях температуры применяется компенсационная трубка. Стержень маятника под воздействием увеличения температуры может удлиняться только вниз.

Компенсационная трубка не удлиняется вниз, а изменяет размеры только вверх. Металл стержня маятника и компенсационной трубки подбирают с таким расчетом, чтобы коэффициент линейного удлинения трубки был во столько раз больше, во сколько раз трубка короче стержня маятника между точками закрепления, Изменение напряжения тока или температуры окружающей среды влияет на ход часов, вызывая отстаивание или опережение в показаниях времени. Регулирование хода производится путем перемещения центра тяжести маятника.

На компенсационной трубке наносится насечка-указатель. Регулировочная гайка разделена на 60 делений. Если гайку повернуть на один полный оборот, то это может вызвать изменение суточного хода часов примерно на 1 мин.

Перемещение центра тяжести маятника вниз вызывает отставание. Перемещение центра тяжести маятника вверх вызывает опережение в показаниях часов.

Поворот гайки на одно деление дает изменение суточного хода часов примерно на 1 сек.

Все работы по регулировке должны производиться в состоянии покоя маятника, т. е. последний должен быть остановлен. Для облегчения поворота регулировочной гайки левой рукой груз маятника слегка поднимают вверх.

После поворота регулировочной гайки она обязательно должна быть закреплена контргайкой. Неосторожное обращение с маятником приводит к поломке пружины подвеса.

На стержне маятника устанавливается перемещающаяся по винту каретка со штифтом. Общий вид каретки с хомутиком для крепления ее к стержню показан на фиг. 233.

Фиг. 233. Каретка маятника.

Штифт каретки входит в вырез вилки 7 (см. фиг. 229).

Установлено, что при каждом отклонении маятника в крайнее положение храповое колесо поворачивается на половину зуба.

При нарушенной регулировке механизма часов движение собачек по зубьям храпового колеса происходит неправильно. Храповое колесо перемещается не на половину зуба, а больше. Регулировка правильности работы собачек восстанавливается перемещением штифта каретки.

Вращением головки винта каретку передвигают от вертикальной оси стержня маятника вправо или влево, уводя за собой с помощью штифта вилку.

Если каретку двигать вправо, то вилка будет поворачивать коромысло, опуская левое плечо и поднимая правое. Передвижение каретки влево дает обратную картину перемещения, собачек.

В том случае когда положение коромысла и движение собачек настолько нарушены, что выправить регулировку с помощью каретки нельзя, необходимо ослабить винт, установить коромысло от руки на правильное положение и снова закрепить винт.

Надо учитывать, что при сильном давлении звездочки маятник испытывает излишнюю нагрузку, передвижение храпового колеса собачками затрудняется. Амплитуда маятника уменьшается и приводит к более частому замыканию контактной труппы. Частые замыкания вызывают больший расход электроэнергии. Подача импульсов в сеть участится; вся сеть часов будет спешить.

Храповое колесо, вращаясь, поворачивает секундный диск 8 по часовой стрелке. Секундный диск делает один полный оборот в течение 2 мин. Называясь секундным, диск не отражает действительного секундного отсчета. Один полный оборот диск совершает за 2 мин., а каждое движение диска составляет половину шага одного зуба храпового колеса. Таким образом, диск проходит путь половины окружности за 80 ударов маятника.

На секундном диске 8 закреплен кулачок из изоляционного материала, с помощью которого осуществляется управление пружинами контактного устройства, расположенными с двух сторон секундного диска. Вращаясь свободно 58 сек., диск в начале 59-й сек. замыкает одну из групп пружин контактного устройства. Это замыкание длится 2 сек. и прекращается в конце 60-й сек. Таким образом маятник воздействует на группы пружин контактного устройства.

Назначение пружин контактных групп — производить подачу импульсов тока в сеть вторичных часов. Обязательным условием работы вторичных часов является необходимость перемены по знаку импульсов тока.

Перемена импульсов тока выполняется с помощью контактных групп пружин.

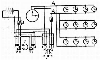
Электрическая схема включения контактных групп показана на фиг. 234.

Работа контактного устройства заключается в посылке импульсов постоянного тока разной полярности. На фиг. 234 показана схема питания часовой сети в нерабочем состоянии.

Фиг. 234. Схема включения контактной группы электропервичных часов.

В промежутках между импульсами оба линейных провода вторичных часов замкнуты и подключены на плюс батареи. Включение и выключение тока ко вторичным часам производится через сопротивление 100 ом.

В катушках механизмов вторичных электрических часов создаются магнитные потоки, благодаря которым якори начинают выходить из состояния покоя.

Катушка омического сопротивления 100 ом носит название искрогасительной, так как уменьшает искрение на контактах и предохраняет их от обгорания. Катушка 100 ом позволяет производить посылку импульсов тока.

В момент, когда кулачок 1 секундного диска давит на пружины контактных групп, нагрузка на маятник увеличивается тем больше, чем сильнее давление пружин.

Все пружины контактной группы электрических первичных часов имеют свои наименования, а именно: пружины 1 и 8 — минусовые, 2 и 7 — линейные, 3 и 6 — плюсовые, 4 и 5 — предварительного минуса.

В том случае когда все электрические вторичные часы, по каким-либо причинам отстали на одинаковое время, установка их на правильное показание производится от руки с помощью подгонного ключа. При помощи ключа рукой в сеть электрических вторичных часов посылают учащенные импульсы тока. Подачу импульсов ключом производят в то время, когда кулачок секундного диска не замыкает контактных пружин, в противном случае может возникнуть короткое замыкание в контактах пружин, а это вызовет перегорание батарейного предохранителя.

Установка вторичных часов подгонным ключом может производиться только на четное число минут. При подгонке на нечетное число минут необходимо переменить местами линейные провода.

При опережении в показаниях вторичных часов маятник необходимо останавливать.

В целях предохранения контактной группы от повреждений, которые могут быть вызваны прохождением усиленного тока как на входе батареи, так и на выходе, в линейных проводах ставятся предохранители с плавкой вставкой.

В работе контактных групп и подгонного ключа большое значение имеет хорошее состояние поверхностей контактов, а также правильная регулировка контактных пружин.

Давление между пружинами 2–3 и 6–7 должно быть в пределах 4–5 г, а зазор между пружинами 2–4 и 5–7 в пределах 0,3–0,5 мм. Давление между пружинами подгонного ключа 2–3 и 4–5 должно быть в пределах 12–15 г. Соединение пружин 1–2 происходит после обрыва контакта между пружинами 2–3, аналогично пружины 7–8 необходимо контактировать после обрыва контакта пружин 6–7, в подгонном ключе пружины 5–6 соединяются после размыкания контакта пружин 4–5.

Если в результате плохой регулировки контактное давление между пружинами 2 и 3 левой группы будет слабое, то при работе правой стороны контактной группы в сеть поступит слабый импульс, поэтому сработают не все механизмы вторичных часов. При отсутствии контакта импульс в сеть вторичных часов вообще не поступит.

Аналогичная картина будет наблюдаться в случае плохого контакта или при его отсутствии между пружинами 6 и 7 при работе левой стороны пружин.

Контакты между пружинами 2 и 3, 4 и 5 подгонного ключа должны быть также надежными. Отсутствие контакта между указанными пружинами вызовет остановку всей сети вторичных часов, а слабый контакт между ними может вызвать нарушение их работы.

Для контроля посылки импульса тока в сеть вторичных часов в электрических первичных часах устанавливают контрольный механизм вторичных часов. Механизм контрольных часов получает импульсы тока от контактных групп. Следовательно, работа электрических вторичных часов зависит от состояния и действия контактных групп. Конструкция контактов допускает включение не свыше 25 электрических часов.

Электрические первичные часы устанавливают на стенах, не подверженных всякого рода сотрясениям. При этом вертикальная ось маятника часов должна проходить строго вертикально через сердечники катушек электромагнита маятника, а при осмотре сбоку — посередине сердечников катушек электромагнита.

Несколько другой способ передач движения от маятника показан на фиг. 235.

Фиг. 235. Механизм мощных электропервичных часов.

Движение маятника передается механизму часов от пальца 5, закрепленного на стержне маятника с помощью хомутика. Палец входит в вырез анкера 1, вращающегося на оси. В нижней части анкера закреплена собачка 2, которая ведет толчками храповое колесо 3.

Предположим, что маятник движется из правого крайнего положения в левое. Анкер располагается с отклонением от вертикали своей нижней частью влево, а верхней частью вправо. При этом палец 5 движется я сторону выреза анкера, входит в него и давит на его левую вертикальную стенку. Под давлением пальца анкер поворачивается на своей оси. Нижняя часть его, поворачиваясь вправо, толкает собачку. Собачка в свою очередь, упираясь в зуб храпового колеса, поворачивает последний на один зуб. В это время собачка 4 пропускает один зуб храпового колеса и запирает его от обратного хода.

С переходом маятника влево палец 5 выйдет из выреза анкера. Анкер займет положение, когда его верхняя часть наклонена влево от вертикали, а нижняя вправо. Возвращаясь из левого положения в правое, маятник пальцем 5 поворачивает анкер 1, собачка 2 скользит по зубу храпового колеса, переходит на другой зуб, подготовляясь к дальнейшей работе.

Таким образом вращение храпового колеса происходит только при движении маятника справа налево; при обратном движении производится подготовка собачки к дальнейшей работе.

Палец 5 часть своего пути проходит, выходя из выреза анкера, и не имеет связи с механизмом.

Преимущество этого механизма в том, что маятник после переброски пальцем анкера делает часть колебания без нагрузки. Исключается возможность передвижении храпового колеса больше чем на один зуб[2].

Конструкция контактного устройства аналогична. Импульсы тока от контактов поступают не в сеть вторичных часов, а на обмотки кодовых реле. Электрическая схема контактной системы посылки импульсов в сеть вторичных часов показана на схеме (фиг. 236).

Фиг. 236. Принципиальная электрическая схема электропервичных мощных часов.

В схему ЭПЧМ включены два кодовых реле.

Использование контактов кодовых реле позволяет увеличить количество электровторичных часов, включаемых на первичные часы до 100.

Подгонного ключа нет. При необходимости подгонки электровторичных часов подачу импульсов производят поочередным нажатием рукой на якори реле или на пружины контактной группы 1–6. При этом необходимо следить за расположением кулачка 7 секундного диска. Опережение в показаниях часов устраняют остановкой маятника на необходимое время.

Более 800 000 книг и аудиокниг! 📚

Получи 2 месяца Литрес Подписки в подарок и наслаждайся неограниченным чтением

ПОЛУЧИТЬ ПОДАРОК